USMART US1-S Ограничитель импульсного тока
Артикул a010081- Гарантийный срок
- 5 лет
- Тип товара
- Ограничитель
- Класс пылевлагозащиты
- IP20
- Выходной сигнал
- TRIAC/MOSFET (230V)
- Выходное напряжение
- 100-240 V AC
- Входное напряжение
- 100-240 V AC
- Ток нагрузки
- max: 2 A
- Габариты
- 76x23,5x8,7
- Длина
- 76 мм
- Ширина
- 23,5 мм
- Высота
- 8,7 мм
- Способ монтажа
- Накладной
- Цвет
- Белый
- Материал корпуса
- Пластик
Описание товара "USMART US1-S Ограничитель импульсного тока"
100-240VAC;
Рабочий ток: Макс. 2А
Мощность нагрузки: 200–480 Вт.
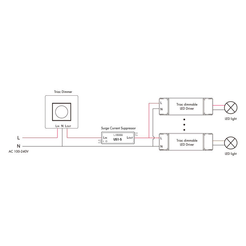
Принцип работы ограничителя импульсного тока NTC: на основе характеристик термистора NTC, при включении светодиодного драйвера генерируется пусковой ток, NTC имеет высокое значение сопротивления при комнатной температуре для подавления пускового тока, когда NTC нагревается, значение сопротивления быстро падает, что снижает его собственное энергопотребление. Используется последовательно с симисторным диммером для обеспечения безопасности и стабильной работы симисторного диммера. Высокая чувствительность, небольшой размер, высокая надежность, низкая стоимость, простота установки и использования.
| Артикул Фото |
Наименование | Цвет | Цена | Заказ норма уп. | Ед. | Склад |
|---|---|---|---|---|---|---|
a010081![]() |
USMART US1-S Ограничитель импульсного тока | 275 грн | Коробка 1 шт | шт |
![]() 99 |
| 0 из 5 на основе оценок |
- Коментарі













